热门关键词: 铸铁升降式止回阀 铸铁内螺纹旋启式止回阀 铸铁内螺纹升降式止回阀 铸钢立式止回阀
咨询热线
15904095592
SD943H 电动伸缩蝶阀适用于温度≤80℃,公称压力≤1.6MPa的食品、医药、化工、石油、电力、轻纺、造纸等给排水、气体管道上作调节流量和截流介质的作用,具有补偿管道热胀冷缩的功能。
1、设计新颖、合理、结构独特、重量轻、操作方便、启闭迅速。
2、伸缩蝶阀除了能作调节和截流作用、补偿管道温差所产生的热胀冷缩功能外,还能为安装更换、维修阀门提供方便。
3、密封部位可调节更换、密封性能可靠等特点。
设计标准:GB/T12238-1989
法兰连接尺寸:GB/T9113.1-2000;GB/T9113.2-2000
GB/T9115.1-2000;GB/T9115.2-2000
压力试验:GB/T13927-1992;JB/T9092-1999
| 公称通径 | DN(mm) | 50~2000 | ||
| 公称压力 | PN(MPa) | 0.6 | 1.0 | 1.6 |
| 试验压力 | 强度试验 | 0.9 | 1.5 | 2.4 |
| 密封试验 | 0.66 | 1.1 | 1.76 | |
| 气密封试验 | 0.6 | 0.6 | 0.6 | |
| 适用温度 | ≤80℃ | |||
| 适用介质 | 空气、水、蒸气、煤气、油品等。 | |||
| 驱动形式 | 手动、蜗杆蜗轮传动、气传动、电传动。 | |||
| 零件名称 | 材料 |
| 阀体 | 铸铁、铸钢、不锈钢、铬钼钢、合金钢 |
| 蝶板 | 铸钢、合金钢、不锈钢、铬钼钢 |
| 密封圈 | 橡胶、聚四氟、聚内脂、不锈钢 |
| 阀杆 | 2Cr13、不锈钢、铬钼钢 |
| 伸缩管 | 铸铁、铸钢、不锈钢、铬钼钢 |
| 填料 | 柔性石墨 |
|
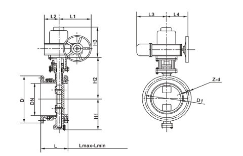
公称 通径 |
外形尺寸(参考值) | 法兰尺寸和螺栓孔尺寸(标准值) | |||||||||||||||||
| H | H1 |
设计最 大长度 |
设计最 小长度 |
设计 长度 |
A | B | 0.6MPa | 1.0MPa | 1.6MPa | ||||||||||
| 毫米 | D | D1 | D2 | n-d | D | D1 | D2 | n-d | D | D1 | D2 | n-d | |||||||
| 50 | 80 | 309 | 186 | 156 | 171 | 180 | 200 | 140 | 110 | 88 | 4-14 | 165 | 125 | 99 | 4-18 | 165 | 125 | 99 | 4-18 |
| 65 | 95 | 337 | 190 | 160 | 175 | 180 | 200 | 160 | 130 | 108 | 4-14 | 185 | 145 | 118 | 4-18 | 185 | 145 | 118 | 4-18 |
| 80 | 98 | 347 | 198 | 166 | 182 | 180 | 200 | 190 | 150 | 124 | 4-18 | 200 | 160 | 132 | 8-18 | 200 | 160 | 132 | 8-18 |
| 100 | 114 | 373 | 228 | 188 | 208 | 180 | 200 | 210 | 170 | 144 | 4-18 | 220 | 180 | 156 | 8-18 | 220 | 180 | 156 | 8-18 |
| 125 | 128 | 405 | 240 | 201 | 220 | 180 | 200 | 240 | 200 | 174 | 8-18 | 250 | 210 | 184 | 8-18 | 250 | 210 | 184 | 8-18 |
| 150 | 139 | 440 | 246 | 206 | 226 | 270 | 280 | 265 | 225 | 199 | 8-18 | 285 | 240 | 211 | 8-22 | 285 | 240 | 211 | 8-22 |
| 200 | 174 | 612 | 265 | 219 | 242 | 400 | 425 | 320 | 280 | 254 | 8-18 | 340 | 295 | 266 | 8-22 | 340 | 295 | 266 | 12-22 |
| 250 | 215 | 693 | 295 | 240 | 267 | 400 | 425 | 375 | 335 | 309 | 12-18 | 395 | 350 | 319 | 12-22 | 405 | 355 | 319 | 12-26 |
| 300 | 245 | 747 | 308 | 254 | 282 | 450 | 560 | 440 | 395 | 363 | 12-22 | 445 | 400 | 370 | 12-22 | 460 | 410 | 370 | 12-26 |
| 350 | 270 | 802 | 327 | 272 | 300 | 450 | 560 | 490 | 445 | 413 | 12-22 | 505 | 460 | 429 | 16-22 | 520 | 470 | 429 | 16-26 |
| 400 | 305 | 991 | 368 | 308 | 338 | 535 | 580 | 540 | 495 | 463 | 16-22 | 565 | 515 | 480 | 16-26 | 580 | 525 | 480 | 16-30 |
| 450 | 325 | 1037 | 370 | 310 | 340 | 535 | 580 | 595 | 550 | 518 | 16-22 | 615 | 565 | 530 | 20-26 | 640 | 585 | 548 | 20-30 |
| 500 | 360 | 1127 | 392 | 332 | 362 | 535 | 580 | 645 | 600 | 568 | 20-22 | 670 | 620 | 582 | 20-26 | 715 | 650 | 609 | 20-33 |
| 600 | 445 | 1377 | 441 | 375 | 408 | 570 | 660 | 755 | 705 | 667 | 20-26 | 780 | 725 | 682 | 20-30 | 840 | 770 | 720 | 20-36 |
| 700 | 505 | 1496 | 460 | 400 | 430 | 750 | 550 | 860 | 810 | 772 | 24-26 | 895 | 840 | 794 | 24-30 | 910 | 840 | 794 | 24-36 |
| 800 | 560 | 1584 | 499 | 445 | 475 | 750 | 550 | 975 | 920 | 878 | 24-30 | 1015 | 950 | 901 | 24-33 | 1025 | 950 | 901 | 24-39 |
| 900 | 630 | 1676 | 520 | 460 | 490 | 750 | 550 | 1075 | 1020 | 978 | 24-30 | 1115 | 1050 | 1001 | 28-33 | 1125 | 1050 | 1001 | 28-39 |
| 1000 | 680 | 1760 | 600 | 530 | 565 | 900 | 750 | 1175 | 1120 | 1078 | 28-30 | 1230 | 1160 | 1112 | 28-36 | 1255 | 1170 | 1112 | 28-42 |
| 1200 | 795 | 2018 | 675 | 571 | 623 | 1000 | 925 | 1405 | 1340 | 1295 | 32-33 | 1455 | 1380 | 1328 | 32-39 | 1485 | 1390 | 1328 | 32-48 |
| 1400 | 900 | 2363 | 760 | 683 | 722 | 1000 | 925 | 1630 | 1560 | 1510 | 36-36 | 1675 | 1590 | 1530 | 36-42 | 1685 | 1590 | 1530 | 36-48 |
| 1600 | 1100 | 2723 | 860 | 770 | 815 | 1000 | 925 | 1830 | 1760 | 1710 | 40-36 | 1915 | 1820 | 1750 | 40-48 | 1930 | 1820 | 1750 | 40-56 |
| 1800 | 1124 | 2844 | 930 | 830 | 880 | 1100 | 980 | 2045 | 1970 | 1718 | 44-39 | 2115 | 2020 | 1950 | 44-48 | 2130 | 2020 | 1950 | 44-56 |
| 2000 | 1292 | 3127 | 1020 | 920 | 970 | 1100 | 980 | 2265 | 2180 | 2125 | 48-42 | 2325 | 2230 | 2150 | 48-48 | 2345 | 2230 | 2150 | 48-62 |
