沈阳永隆流体设备有限公司传承科技至上,坚持以人为本,秉承以质量为生命的宗旨

咨询热线:15904095592

产品
您的位置:首页 > 产品中心 > 真空阀

咨询热线

15904095592
  • 电磁高真空带充气阀

电磁高真空带充气阀


产品简介 / Introduction
DDC-JQ-B型系列电磁真空带充气阀是安装在机械式真空泵上的专用阀门。阀门与泵接在同一电源上,泵的开启与停止直接控制了阀的开启与关闭。当泵停止工作或电源突然中断时,阀能自动将真空系统封闭,并将大气通过泵的进气口充入泵腔,避免泵油返流污染真空系统。
适用的工作介质为空气及非腐蚀性气体。
DDC-JQ-B型系列电磁真空带充气阀--主要技术性能:
适用范围(Pa)
105~1x10-2
阀门漏率(Pa.L/S)
<6.7x10-4
适用温度(℃)
-25~+50
线圈温升(℃)
≤65
开闭时间(S)
≤3
电源电压(V/Hz)
220±10%/50
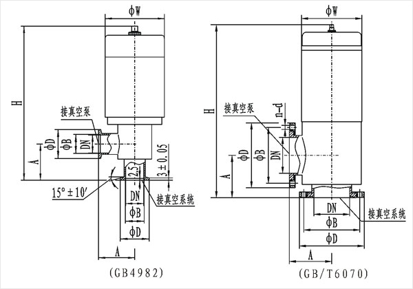
DDC-JQ-B型系列电磁真空带充气阀--连接及外形尺寸(GB/T6070)
型号
通径(DN)
ΦW
ΦD
ΦB
H
A
n-d
法兰标准
DDC-JQ16B
16
68
30
17.2
191
40
/
GB4982
DDC-JQ25B
25
82
40
26.2
202
50
DDC-JQ32B
32
92
55
41.2
244
50
DDC-JQ40B
40
110
55
41.2
275
65
DDC-JQ50B
50
125
110
90
314
80
4-Φ9
GB/T6070
DDC-JQ65B
65
135
130
110
343
88
4-Φ9
DDC-JQ80B
80
135
145
125
387
95
4-Φ9
DDC-JQ100B
100
165
165
145
399
108
8-Φ9