产品简介
/ Introduction
GDQ-J-A系列
常闭型气动高真空挡板阀是通过电磁转向阀依靠压缩空气作为阀板启闭动力,在失去电源或压缩空气时,通径DN80以下的阀门将依靠弹簧力自动关闭阀门,DN100以上的阀门通过电磁阀组利用单向阀迅速关闭气缸原有的气源压力达到自动关闭阀门。从而达到真空系统中迅速切断气流之功能。GDQ-J型为角通型式,GDQ-S型为带预抽口的三通型式。
适用的工作介质为空气及非腐蚀性气体。
主要技术性能:
|
适用范围(Pa)
|
105~1.3x10-4
|
|
阀门漏率(Pa.L/S)
|
≤1.3x10-5
|
|
介质温度(℃)
|
-25~+80(密封材料为丁腈橡胶)
-30~+150(密封材料为氟橡胶)
|
|
气源压力(MPa)
|
0.4~0.8
|
|
安装位置
|
DN<300任意,DN≥300垂直
|
|
电源电压
|
标准出厂:AC220V/50Hz
特殊指定:AC110V;DC24V;DC12V等
|
|
信号反馈
|
标准出厂:不带反馈信号
特殊指定:磁性开关DC/AC5~240V
|
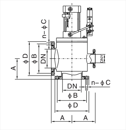
连接及外形尺寸:
|
型号
|
通径(DN)
|
ΦD
|
ΦB
|
A
|
法兰标准
|
|
GDQ-J10A/KF
|
10
|
30
|
12.2
|
30
|
GB4982
|
|
GDQ-J16A/KF
|
16
|
30
|
17.2
|
40
|
GB4982
|
|
GDQ-J25A/KF
|
25
|
40
|
26.2
|
50
|
GB4982
|
|
GDQ-J40A/KF
|
40
|
55
|
41.2
|
65
|
GB4982
|
|
GDQ-J50A/KF
|
50
|
75
|
52.2
|
70
|
/
|
活套法兰连接及外形尺寸:
|
型号
|
通径(DN)
|
ΦD
|
ΦB
|
A
|
n-ΦC
|
DNy(预抽口)
|
法兰标准
|
|
GDQ-J50A
|
50
|
110
|
90
|
70
|
4-Φ9
|
/
|
GB/T6070
|
|
GDQ-J63A
|
63
|
130
|
110
|
88
|
4-Φ9
|
/
|
GB/T6070
|
|
GDQ-J80A
|
80
|
145
|
125
|
88
|
8-Φ9
|
/
|
GB/T6070
|
|
GDQ-J100A
|
100
|
165
|
145
|
108
|
8-Φ9
|
/
|
GB/T6070
|
|
GDQ-J125A
|
125
|
200
|
175
|
128
|
8-Φ11
|
/
|
GB/T6070
|
|
GDQ-J(S)150A
|
150
|
220
|
195
|
138
|
8-Φ11
|
DN40(GB4982)
|
JB919
|
|
GDQ-J(S)160A
|
160
|
225
|
200
|
138
|
8-Φ11
|
DN40(GB4982)
|
GB/T6070
|
|
GDQ-J(S)200A
|
200
|
285
|
260
|
200
|
12-Φ11
|
DN50(GB/T6070)
|
GB/T6070
|
|
GDQ-J(S)250A
|
250
|
335
|
310
|
208
|
12-Φ11
|
DN50(GB/T6070)
|
GB/T6070
|
|
GDQ-J(S)300A
|
300
|
380
|
350
|
250
|
8-Φ14
|
DN80(GB/T6070)
|
JB919
|
|
GDQ-J(S)320A
|
320
|
425
|
395
|
250
|
12-Φ14
|
DN80(GB/T6070)
|
GB/T6070
|
|
GDQ-J(S)400A
|
400
|
510
|
480
|
330
|
16-Φ14
|
DN100(GB/T6070)
|
GB/T6070
|
|
①GDQ-J(S)400A
|
400
|
500
|
465
|
330
|
16-Φ14
|
DN100(GB/T6070)
|
JB919
|
|
GDQ-J(S)500A
|
500
|
610
|
580
|
360
|
16-Φ14
|
DN125(GB/T6070)
|
GB/T6070
|
|
GDQ-J(S)600A
|
600
|
710
|
670
|
450
|
12-Φ21
|
DN160(GB/T6070)
|
JB919
|
|
GDQ-J(S)630A
|
630
|
750
|
720
|
450
|
20-Φ14
|
DN160(GB/T6070)
|
GB/T6070
|
|
GDQ-J(S)800A
|
800
|
920
|
890
|
520
|
24-Φ14
|
DN200(GB/T6070)
|
GB/T6070
|
注:采用JB919法兰连接标准,其侧口同样为GB/T6070标准