产品简介
/ Introduction
D41X 卫生级法兰蝶阀结构简单、体积小、重量轻、材料耗用省,安装尺寸小、而且驱动力矩小,操作简便、迅速,并且还可同时具有良好的流量调节功能和关闭密封特性。
1、设计新颖、合理、结构独特,重量轻,启闭迅速。
2、操力矩小,操作方便,省力灵巧。
3、可以任何位置安装,维修方便。
4、密封材料耐老化、耐腐蚀,使用寿命长等特点。
二、D41X卫生级法兰蝶阀--工作原理:
卫生级法兰蝶阀专用于乳制品、食品、制药、啤酒、化妆品等工业领域。所有与介质接触部份均为镜面抛光。密封圈Ф25-Ф108使用范围为两种:三元乙丙(EPDM)、硅胶(SI ),Ф57以下为三元乙丙(EPDM) ;启闭件往复回转90°左右来开启、关闭和调节流体通道的一种不锈钢蝶阀。
在完全开启时,卫生级法兰蝶阀具有较小的流阻,当开启在大约°至70°之间时,又能进行灵敏的流量控制,因而在大口径的调节领域,阀板的运动带有擦拭性,因而可用于带悬浮固定颗粒的介质,依据密封件的强度也可用于粉状和颗粒状介质。
三、卫生级法兰蝶阀用途:
D41X卫生级法兰蝶阀采用标准电子抛光,光滑表面确保清洁,无介质积存区域,不会产生潜在的污染。快速拆装阀,使阀门打开和维修快捷容易,使过程停机时间缩短。具有结构紧凑、装拆方便等优点。卫生级法兰蝶阀应用于如食品、制药、化妆品、洁净蒸汽、酒类、饮料、生化工业过程控制场合。
四、D41X卫生级法兰蝶阀密封性能:
卫生级法兰蝶阀属中线不锈钢软密封蝶阀,其密封原理为,阀板加工时保证其密封面具有合适的表面粗造度值,合成橡胶阀座在模压成型时形成密封面合适的表面粗糙值。不锈钢蝶阀关闭时,卫生级法兰蝶阀通过阀板的转动,阀板的外圆密封面挤压合成橡胶阀座,使合成橡胶阀座产生弹性变形弹性力作为密封比压保证阀门的密封.
五、D41X卫生级法兰蝶阀设计和特点:
简洁有活力的设计
尺寸DN25/1"到DN250/10"多定位手柄尺寸到DN100/4"拉杆手柄尺寸到DN250/10*
手动手柄和气动或电动执行器可互换低压消耗
任何连接方式的阀体都可以进行更换
材质
蝶板: AISI 316L/304
(锻造) 阀体: AISI 316L/304 (锻造)
垫圈和密封圈: EPDM 根据
FDA 177.2600 手柄: AISI 304/PP
表面处理: Ra=0.8
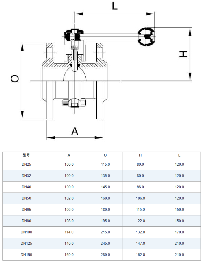
六、D41X卫生级法兰蝶阀--主要外形和连接尺寸:
