产品简介
/ Introduction
D343TC 耐磨陶瓷法兰蝶阀蝶板密封圈与阀座密封圈采用高性能增韧结构陶瓷材料,耐磨损耐腐蚀,阀体采用整体法兰式结构,结构紧凑,体积小,重量轻,操作灵活,启闭力矩小,广泛应用于各种高磨损场合。
耐磨陶瓷法兰蝶阀--产品详情
性能特点:
1. 法兰式陶瓷蝶阀蝶板密封圈与阀座密封圈采用高性能增韧结构陶瓷材料,耐磨损耐腐蚀,阀体采用整体法兰式结构,结构紧凑,体积小,重量轻,操作灵活,启闭力矩小,广泛应用于各种高磨损场合。
2. 密封副间三偏心锥角结构使蝶阀开启瞬间两密封面马上相互脱离,确保密封副间相互无摩擦。
3. 密封副间三偏心结构关闭时具有越关越紧的功能,密封更加可靠,达到不泄漏,并且具有双向密封功能。
4. 耐高温、高压、耐腐蚀、使用寿命长,享有"与管道同寿命"之美誉。
5. 具有密封调节性能,密封性能下降时,可调节密封圈向阀座靠近,即可恢复密封性能。
6. 工况需要时,通过调节蝶阀的启闭角度,进而起到调节流量的作用。
主体:碳钢(WCB)、不锈钢(CF8、CF8M、CF3、CF3M)等
蝶板:不锈钢+增韧结构陶瓷
阀座:增韧结构陶瓷
阀杆:不锈钢
填料:橡胶/聚四乙烯/编织石墨
公称通径:DN50-DN500(2"-20")
公称压力:PN6-PN25
适用温度:-29~+425℃
操作方式:手轮,伞齿轮、气动、电动、液动、电液(可选)
适用介质:纸浆、污水、煤浆、矿渣等磨损性介质
|
设计与制造 |
GB/T 12224 |
|
连接端尺寸 |
结构长度 |
GB/T 12221 |
|
法兰尺寸 |
GB/T9113 |
|
检验与试验 |
GB/T 13927 |
|
材料 |
碳钢 |
GB/T 12229 |
|
不锈钢 |
Gb/T 12230 |
|
标志 |
Gb/T 12220 |
|
供货 |
Gb/T 12252 |
|
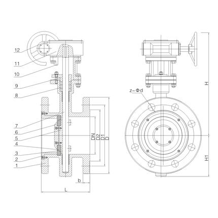
DN |
PN(Mpa) |
L |
D |
D1 |
D2 |
H |
H1 |
z-Φd |
|
50 |
1.0 |
108 |
140 |
125 |
100 |
254 |
85 |
4-Φ18 |
|
65 |
112 |
160 |
145 |
120 |
278 |
95 |
4-Φ18 |
|
80 |
114 |
185 |
160 |
135 |
312 |
106 |
4-Φ18 |
|
100 |
127 |
205 |
180 |
155 |
330 |
114 |
8-Φ18 |
|
125 |
140 |
235 |
210 |
185 |
365 |
130 |
8-Φ18 |
|
150 |
140 |
260 |
240 |
210 |
404 |
148 |
8-Φ23 |
|
200 |
152 |
315 |
295 |
265 |
496 |
176 |
8-Φ23 |
|
250 |
165 |
370 |
350 |
320 |
558 |
210 |
8-Φ23 |
|
300 |
178 |
435 |
400 |
368 |
632 |
238 |
8-Φ23 |